1.800.466.1905

sales@ibcmars.com

Square D
ECEM Type WB, 5, 10, 20, 22, 30, 40, 50, 60
Class 5010 Type T WB, 8", 10", 13", 16", 19", 23", 30"
Class 5010 Type F, 8", 10", 13", 16", 19", 23", 30"

Class 5010 16" Type T WB Brake, Folio 6
Class 5010 16" Type T WB Brake, Folio 6

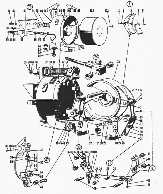
Item
OEM Part
Description

1
2
5
6
7
8
9
10
11
12
17
18
19
20
21
22
23
25
26
26a
29
29a
32
33
34
35
36
38
39
42

W-16004-A
W-16005-A
W-16043
W-16046
W-16032
W-16006-A
W-16008-A
FP-24B43
FP-24B42
FP-25A12
W-16033
W-16027
W-16042
W-16018-A
W-16009-A
W-16095-A
FP-24B44
FP-25A15
W-16025
W-16162
W-13015-A
W-16163
W-16021
W-16007-A
W-16008-A
FP-24B43
FP-24B42
FP-25A12
FP-25A15
W-16031

Assembled Brake Shoe, Complete
Brake Shoe
Brake Block
Rivet
Shoe Pin
Assembled Shoe Lever, Complete
Shoe Lever
Bearing
Bearing
Grease Fitting
Shoe Lever Pin (Frame End)
Screw
Lock Nut
Assembled Frame, Complete
Assembled Connecting Rod Comp
Connecting Rod
Bearing
Grease Fitting
Cam Rail
Rail
Cam
Adjusting Ring
Centering Spring
Assembled Shoe Lever, Complete
Shoe Lever
Bearing
Bearing
Grease Fitting
Grease Fitting
Connecting Rod Pin

43 For improved construction use 43a & 43b
43a
43b
46
47
48
49
50
51
52
53
54
55
62
67
68
69
70
71
72
72a
73
74
75
76
77
79
80
81
82
83
84
85
88
93
94
95
100
*
*
*
*
*
*
*
*
*
*
*
*
*
*
W-16160
W-16161
W-16034
W-16002-A
W-16003-A
FP-24B42
W-16047-A
FP-25A16
W-13026
FP-25A17
W-16048
FP-25A18
W-13049
TW-76
W-16022
W-16041
W-16023
W-16045
W-16020
W-16123
W-16035
W-16012-A
W-16094-A
FP-24B40
FP-25A12
W-16001-A
W-16087-A
W-16040
W-16088
W-16092
W-16080
W-16090
W-16091
W-16089
W-16039
W-16029
W-16024
W-16269-A
W-16252-A
29005-68655
51001-066-53
Calibration
W-16157
W-16265-A
W-16028
W-16262-A
W-16274-A
W-16151-A
W-16152-A
W-16098
W-16286-A
Pin
Collar
Shoe Lever Pin (Armature End)
Assembled Armature, Complete
Armature
Bearing
Assembled Grease Unit, Comp
Grease Fitting
Header Block
Compression Fitting
Tube
Compression Fitting
Air Gap Indicator
Washer
Manual Release Nut
Lock Nut
Spring Adjusting Nut
Spring Collar
Operating Spring
Spring, 50% of Std. Torque
Spring Rod Pin
Spring Rod Complete
Spring Rod w/ Bearings
Bearing
Grease Fitting
Assembled Magnet Complete
Magnet Case
Magnet Adjusting Screw
Magnet Adjusting Nut
Washer
Lock Nut
Leap Clamp Stud
Leap Clamp
Terminal Shield
Lead Gasket
Lead Bushing
Dust Shield
Shunt Coil
Coil, 52-65 HP
Bearing
Manual Release Nut
16" WB Calibration Plate
Retailing Plate
Shunt Coil, 230 VDC
Bearing
Coil
Coil, 80-100 HP
Rod
Connecting Rod w/ Bearings
Connecting Rod Pin
Coil

Contact Form